Log In

 

48 Years in Business

 

Follow us on Facebook for all the latest news, updates and promotions

 

Serial Decoding - UPDATE

The new PicoScope beta release, 6.13, adds Modbus RTU and ASCII to its growing list of serial decoders. Modbus is used in industrial automation to communicate with programmable logic controllers (PLCs).

PicoScope 6 now supports a total of 18 serial protocols and is the only oscilloscope that can decode Modbus.

~~~~~~~~~~~~~~~~~

You can use PicoScope to decode data from a serial bus such as CAN bus. Unlike a conventional bus analyzer, PicoScope lets you see the high-resolution electrical waveform at the same time as the data. RS232/UART and SPI formats added to serial decoding mode
 

Credit Cards Accepted

 

Aurora Probability in Northern Canada

Auroral forecast from AuroraWatch.ca

 

North America Aurora Map from
NOAA Space Weather Prediction Center

Aurora Map - NOAA

 

 

PicoScope 3000 Series
MSO & Non MSO Oscilloscopes
USB 3.0

pico logo
mso in action

 

US Prices 
CDN Prices

Privacy and Security Policy

 

PC Oscilloscopes & Mixed Signal Oscilloscopes

Power, portability and performance

The PicoScope 3000 Series USB-powered PC oscilloscopes are small, light, and portable and can easily slip into a laptop bag while offering a range of high performance specifications.

These oscilloscopes offer 2 or 4 analog channels, plus 16 digital channels and a built in function / arbitrary waveform generator. 

  • 200 MHz analog bandwidth
  • 1 GS/s real-time sampling
  • 512 MS buffer memory
  • 100,000 waveforms per second
  • 16 channel logic analyzer
  • Arbitrary Waveform Generator
  • USB 3.0 connected and powered
  • Serial decoding and mask testing as standard
  • Windows, Linux and Mac software

Supported by the advanced PicoScope 6 software, these devices offer an ideal, cost-effective package for many applications, including embedded systems design, research, test, education, service, and repair.

 

High bandwidth and sampling rate

Screenshot displaying hight bandwidth and sampling rate
Despite a compact size and low cost, there is no compromise on performance with bandwidths up to 200 MHz.  This bandwidth is matched by a real-time sampling rate of up to 1 GS/s, allowing detailed display of high frequencies. For repetitive signals, the maximum effective sampling rate can be boosted to 10 GS/s by using Equivalent Time Sampling (ETS) mode.

Other oscilloscopes have high maximum sampling rates, but without deep memory they cannot sustain these rates on long timebases. The PicoScope 3000 Series offers memory depths up to 512 million samples, more than any other oscilloscope in this price range, which enables the PicoScope 3406D MSO to sample at 1 GS/s all the way down to 50 ms/ div (500 ms total capture time).

Managing all this data calls for some powerful tools. There’s a set of zoom buttons, plus an overview window that lets you zoom and reposition the display by simply dragging with the mouse or touchscreen. Zoom factors of several million are possible.  Other tools such as the waveform buffer, mask limit test, serial decode and hardware acceleration work with the deep memory making the PicoScope 3000 series some of the most powerful oscilloscopes on the market.
 

Deep memory

The PicoScope 3000 Series offers memory depths up to 512 million samples, more than any other oscilloscope in this price range.

deep memory oscilloscope

Other oscilloscopes have high maximum sampling rates, but without deep memory they cannot sustain these rates on long timebases. Using its 512 MS buffer, the PicoScope 3406D can sample at 1 GS/s all the way down to 50 ms/ div (500 ms total capture time).

Managing all this data calls for some powerful tools. There’s a set of zoom buttons, plus an overview window that lets you zoom and reposition the display by simply dragging with the mouse or touchscreen. Zoom factors of several million are possible.  Other tools such as the waveform buffer, mask limit test, serial decode and hardware acceleration work with the the deep memory making the PicoScope 3000 one of the most powerful oscilloscopes on the market.

 

Hardware Acceleration Engine (HAL3)

Hardware acceleration

Hardware acceleration ensures fast screen
update rates even when collecting
10,000,000 samples per waveform

Some oscilloscopes struggle when you enable deep memory, the screen update rate slows and controls become unresponsive.  We avoid this limitation by the use of a dedicated hardware acceleration engine inside the oscilloscope.  Its massively parallel design effectively creates the waveform image to be displayed on the PC screen and allows the continuous capture and display to the screen of over 440,000,000 samples every second.  PicoScope oscilloscopes cope better with deep memory than competing oscilloscopes be they be PC based or benchtop.

The PicoScope 3000 series is fitted with the 3rd generation of hardware acceleration (HAL3) this also speeds up other areas of oscilloscope operation such as allowing waveform update rates in excess of 100,000 waveforms / second and the segmented memory / rapid trigger modes. The hardware acceleration engine ensures that any concerns about the USB connection or PC processor performance being a bottleneck are eliminated. 

 

Mixed–signal capability / Logic Analyzer

 

The PicoScope 3000 Series Mixed-Signal Oscilloscopes (MSOs) include 16 digital inputs alongside the standard 2 or 4 analog channels, so that you can view your digital and analog signals simultaneously.

The digital inputs of your PicoScope 3000 MSO can be displayed individually or in arbitrary groups labeled with binary, decimal or hexadecimal values. A separate logic threshold from -5 V to 5 V can be defined for each 8–bit input port. The digital trigger can be activated by any bit pattern combined with an optional transition on any input. Advanced logic triggers can be set on either the analogue or digital input channels, or both to enable complex mixed–signal triggering.

The digital inputs bring extra power to the serial decoding options.  You can decode serial data on all analogue and digital channels simultaneously, giving you up to 20 channels of data.  You can for example decode multiple SPI, I2C, CAN bus, LIN bus and FlexRay signals all at the same time!

appnote: Debugging an I²C Bus with a PicoScope Mixed–Signal Oscilloscope

​

Mixed Signal Oscilloscope / Logic Analyzer (roll over red circles for description)

 

Arbitrary waveform and function generator

Arbitrary waveform generator

All units have a built-in function generator (sine, square, triangle, DC level, white noise, PRBS etc). As well as basic controls to set level, offset and frequency, more advanced controls allow you to sweep over a range of frequencies. Combined with the spectrum peak hold option this makes a powerful tool for testing amplifier and filter responses.

Trigger tools allow one or more cycles of a waveform to be output when various conditions are met such as the scope triggering or a mask limit test failing.

The PicoScope 3000 Series D models also include an arbitrary waveform generator. Waveforms can be created or edited using the built-in AWG editor, imported from oscilloscope traces, or loaded from a spreadsheet.

Signal generator

More information on the AWG >

 

Advanced Digital triggers

Advanced digital triggers

The majority of digital oscilloscopes sold today still use an analog trigger architecture based on comparators. This can cause time and amplitude errors that cannot always be calibrated out. The use of comparators often limits the trigger sensitivity at high bandwidths.

In 1991 we pioneered the use of fully digital triggering using the actual digitized data. This technique reduces trigger errors and allows our oscilloscopes to trigger on the smallest signals, even at the full bandwidth. Trigger levels and hysteresis can be set with high precision and resolution.

The reduced re-arm delay provided by digital triggering, together with segmented memory, allows the capture of events that happen in rapid sequence. At the fastest timebase, rapid triggering can capture a new waveform every 2 microseconds until the buffer is full. The mask limit testing function helps to detect waveforms that fail to meet your specifications.

As well as the standard range of triggers found on all oscilloscopes, the PicoScope 3000 Series offers an industry-leading set of advanced triggers including pulse width, windowed and dropout triggers to help you capture the data you need.

More information on advanced triggers >

 

USB connectivity

USB 3.0 oscilloscope

The USB connection not only allows high-speed data acquisition and transfer, but also makes printing, copying, saving, and emailing your data from the field quick and easy. USB powering removes the need to carry around a bulky external power supply, making the kit even more portable for the engineer on the move.

PicoScope 3000 Series mixed signal oscilloscopes feature a SuperSpeed USB 3.0 connection, making the already-optimized process of data transfer and waveform update rates even faster. Further benefits of a USB 3.0 connection include faster saving of waveforms and faster gap-free continuous streaming of up to 125 MS/s when using the SDK, while the scope is still backward- compatible with older USB systems.

 

High-end features as standard

Buying a PicoScope is not like making a purchase from other oscilloscope companies, where optional extras considerably increase the price. With our scopes, high-end features such as serial decoding, mask limit testing, advanced math channels, segmented memory, and a signal generator are all included in the price.

To protect your investment, both the PC software and firmware inside the scope can be updated. Pico Technology have a long history of providing new features for free through software downloads. We deliver on our promises of future enhancements year after year, unlike many other companies in the field. Users of our products reward us by becoming lifelong customers and frequently recommending us to their colleagues.

200MHz USB 3.0 oscilloscopes with 16 channel logic analyser

100,000 waveforms per second

oscilloscope waveform update rates

PicoScope persistence modes allow you to collect thousands of waveforms per second in order to quickly spot glitches and observe jitter.  New or more frequent data can be displayed in a brighter color or shade.

Hardware acceleration (HAL3) allows waveform update rates of up to 100,000 per second outperforming all other PC oscilloscopes and many benchtop oscilloscopes costing considerably more.

More information on color persistence modes >>

 
 
 
 
 
 

Waveform buffer and navigator

Ever spotted a glitch on a waveform, but by the time you’ve stopped the scope it has gone? With PicoScope you no longer need to worry about missing glitches or other transient events. PicoScope can store the last ten thousand waveforms in its circular waveform buffer.

When the trace length is set to be shorter than the scope’s memory, PicoScope will automatically configure the memory as a circular buffer storing as many as ten thousand waveforms. 

The buffer navigator provides an efficient way of navigating and searching through waveforms effectively letting you turn back time.  Tools such as mask limit testing can also be used to scan through each waveform in the buffer looking for anomalies.

Waveform buffer and navigator

More information on waveform buffer >>

Custom probes panel

Custom probes

The custom probes feature allows you to correct for gain, attenuation, offsets and nonlinearities in special probes, or to convert to different units of measurement (such as current, power or temperature). You can save definitions to disk for later use. Definitions for standard Pico–supplied oscilloscope probes and current clamps are included.

More information on custom probes >>

 

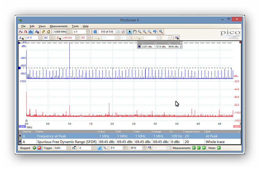
Spectrum analyzer

Spectrum analyser

With the click of a button you can display a spectrum plot of selected channels up to the full bandwidth of the oscilloscope. A full range of settings gives you control over the number of spectrum bands, window types, and display modes (instantaneous, average, or peak-hold).

You can display multiple spectrum views with different channel selections and zoom factors, and place these alongside time-domain views of the same data. A comprehensive set of automatic frequency-domain measurements can be added to the display, including THD, THD N, SNR, SINAD and IMD. You can even use the AWG and spectrum mode together to perform swept scalar network analysis.

More information on the PicoScope Spectrum analyser >>

 
PicoScope 3400 front end shielding  

Signal integrity

Most oscilloscopes are built down to a price. PicoScopes are built up to a specification.

Careful front-end design and shielding reduces noise, crosstalk and harmonic distortion. Years of oscilloscope design experience can be seen in improved bandwidth flatness and low distortion.
We are proud of the dynamic performance of our products, and publish their specifications in detail.

The result is simple: when you probe a circuit, you can trust in the waveform you see on the screen.

PicoScope 3000 Series MSO & Non MSO oscilloscope specifications

Oscilloscope — Vertical (analog)
PicoScope
Model
3203D & MSO
[PP958 & PP956]

PP958 Obsoleted
3204D & MSO
[PP959 & PP931]


PP959 Obsoleted
3205D & MSO
[PP960 & PP932]
3206D & MSO
[PP961 & PP933]
3403D & MSO
[PP962 & PP957]
3404D & MSO
[PP963 & PP934]
3405D & MSO
[PP964 & PP935]
3406D & MSO
[PP965 & PP936]
Input channels 2 channels, BNC single-ended 4 channels, BNC single-ended
Bandwidth (-3 dB)

50 MHz

70 MHz 100 MHz 200 MHz 50 MHz 70 MHz 100 MHz 200 MHz
Rise time (calculated) 7.0 ns 5.8 ns 3.5 ns 1.75 ns 7.0 ns 5.8 ns 3.5 ns 1.75 ns
Vertical resolution 8 bits
Input ranges ±20 mV to ±20 V full scale in 10 ranges
Input sensitivity 4 mV/div to 4 V/div in 10 vertical divisions
Input coupling AC / DC
Input characteristics 1 MΩ ±1%, in parallel with 14 pF ±1 pF
DC accuracy ±3% of full scale ±200 μV
Analog offset range
(vertical position adjust)
±250 mV (20 mV, 50 mV, 100 mV, 200 mV ranges)
±2.5 V (500 mV, 1 V, 2 V ranges)
±20 V (5 V, 10 V, 20 V ranges)
Offset adjust accuracy ±1% of offset setting, additional to DC accuracy
Overvoltage protection ±100 V (DC AC peak)
Oscilloscope — Horizontal
PicoScope
Model
3203D & MSO 3204D & MSO 3205D & MSO 3206D & MSO 3403D & MSO 3404D & MSO 3405D & MSO 3406D & MSO
Maximum sampling rate (real-time) 1 GS/s (1 analog channel in use)
500 MS/s (Up to 2 analog channels or digital ports* in use)
250 MS/s (Up to 4 analog channels or digital ports* in use)
125 MS/s (5 or more analog channels or digital ports* in use)
*A digital port contains 8 digital channels
Maximum sampling rate (repetitive signals*) 2.5 GS/s 5 GS/s 10 GS/s 2.5 GS/s 5 GS/s 10 GS/s
Maximum sampling rate
(continuous streaming mode)
10 MS/s in PicoScope software
125 MS/s when using the supplied SDK (PC-dependent)
Timebase ranges 1 ns/div to 5000 s/div 500 ps/div to 5000 s/div 1 ns/div to 5000 s/div 1 ns/div to 5000 s/div 500 ps/div to 5000 s/div
Buffer memory 64 MS 128 MS 256 MS 512 MS 64 MS 128 MS 256 MS 512 MS
Buffer memory (streaming) 100 MS in PicoScope software. Up to available PC memory when using supplied SDK.
Maximum buffer segments 10 000
Timebase accuracy ±50 ppm ±2 ppm ±2 ppm ±50 ppm ±2 ppm ±2 ppm
Sample jitter < 3 ps RMS typical

* analog channels only

Triggering (all)
PicoScope
Model
3203D
MSO
3204D
MSO
3205D
MSO
3206D
MSO
3403D
MSO
3404D
MSO
3405D
MSO
3406D
MSO
Trigger modes None, auto, repeat, single, rapid (segmented memory)
Advanced triggers* Edge: rising, falling or dual edge with adjustable hysteresis
Window: signal enters or exits a user–defined voltage range
Pulse width: a negative or positive pulse is wider or narrower than a set width, or inside/outside a range of widths
Window pulse width: signal is inside or outside a voltage range for a set time
Dropout: signal does not cross a voltage threshold for at least a set time
Window dropout: signal does not enter or exit a voltage range for at least a set time
Interval: time between two edges is greater or less than a set time, or inside/outside a time range
Logic: arbitrary logic state of Channels and EXT matches a user–defined pattern
Runt pulse: signal crosses one voltage threshold and returns without crossing the other
 
Trigger sensitivity* Digital triggering provides 1 LSB accuracy up to full bandwidth of scope
Trigger types (ETS mode)* Rising edge, falling edge
Trigger sensitivity (ETS mode)* 10 mV p-p typical (at full bandwidth)
Maximum pre–trigger capture Up to 100% of capture size
Maximum post–trigger delay Up to 4 billion samples (selectable in 1 sample steps)
Trigger re–arm time < 2 µs on fastest timebase
Maximum trigger rate Up to 10,000 waveforms in a 20 ms burst

* analog channels only

Triggering (digital)
Model 3203D & MSO 3204D & MSO 3205D & MSO 3206D & MSO 3403D & MSO 3404D & MSO 3405D & MSO 3406D & MSO
Source D0 to D15
Trigger types Combined pattern and edge
Advanced triggers Edge, pulse width, dropout, interval, logic
Function generator
Model 3203D & MSO 3204D & MSO 3205D & MSO 3206D & MSO 3403D & MSO 3404D & MSO 3405D & MSO 3406D & MSO
Standard output signals Sine, square, triangle, DC voltage, ramp, sinc, Gaussian, half-sine, white noise, PRBS
Standard signal frequency DC to 1 MHz
Sweep modes Up, down, dual with selectable start / stop frequencies and increments
Output frequency accuracy As oscilloscope
Output frequency resolution < 10 mHz
Output voltage range ±2 V
Output voltage adjustment Signal amplitude and offset adjustable in approximate 1 mV steps within overall ±2 V range
Amplitude flatness < 0.5 dB to 1 MHz typical
DC accuracy ±1% of full scale
SFDR > 60 dB 10 kHz full scale sine wave
Output characteristics Rear panel BNC, 600 Ω output impedance
Overvoltage protection ±20 V
Arbitrary Waveform Generator
Model 3203D & MSO 3204D & MSO 3205D & MSO 3206D & MSO 3404D & MSO 3405D & MSO 3406D & MSO
Update rate 20 MS/s
Buffer size 32 kS
Resolution 12 bits (output step size approximately 1 mV)
Bandwidth > 1 MHz
Rise time (10% to 90%) < 120 ns
Probe Compensation Output
Impedance 600 Ω
Frequency 1 kHz
Level 2 V pk-pk
Physical specifications
PC connectivity USB 3.0 (USB 2.0 compatible)
Dimensions 190 mm x 170 mm x 40 mm (including connectors)
Weight < 0.5 kg
Temperature range Operating: 0 °C to 40 °C (15 °C to 30 °C for stated accuracy).
Storage: –20 °C to 60 °C
Humidity range Operating: 5% RH to 80% RH non-condensing.
Storage: 5% RH to 95% RH non-condensing
Dynamic performance
Crosstalk Better than 400:1 up to full bandwidth (equal voltage ranges)
Harmonic distortion < –50 dB at 100 kHz full scale input
SFDR 52 dB typical
Noise 180 μV RMS (on most sensitive range)
Bandwidth flatness 0.3 dB, –3 dB from DC to full bandwidth
Spectrum Analyser
Frequency range DC to maximum bandwidth of scope
Display modes Magnitude, peak hold, average
Windowing functions Rectangular, Gaussian, triangular, Blackman, Blackman–Harris, Hamming, Hann, flat–top
Number of FFT points Selectable from 128 to 1 million in powers of 2
Math channels
Functions −x, x y, x−y, x*y, x/y, x^y, sqrt, exp, ln, log, abs, norm, sign, sin, cos, tan, arcsin, arccos, arctan, sinh, cosh, tanh, freq, derivative, integral, min, max, average, peak, delay
Operands All input channels, reference waveforms, time, constants, pi
Automatic masurements (analog channels only)
Oscilloscope mode AC RMS, true RMS, cycle time, DC average, duty cycle, falling rate, fall time, frequency, high pulse width, low pulse width, maximum, minimum, peak to peak, rise time, rising rate.
Spectrum mode Frequency at peak, amplitude at peak, average amplitude at peak, total power, THD %, THD dB, THD N, SFDR, SINAD, SNR, IMD
Statistics Minimum, maximum, average, standard deviation
Serial decoding
Protocols CAN, FlexRay, I²C, I²S, LIN, SPI, UART/RS-232
Mask limit testing
Statistics Pass/fail, failure count, total count
Display
Interpolation Linear or sin(x)/x
Persistence modes Digital color, analog intensity, custom, none
General
Power requirements USB 2.0 models: powered from single USB port
USB 3.0 models: powered from single USB 3.0 port or two USB 2.0 ports (dual cable supplied)
For 4-channel models, use a USB port supplying at least 1200 mA, or use the AC adaptor supplied.
Safety approvals Designed to EN 61010-1:2010
EMC approvals Tested to EN 61326-1:2006 and FCC Part 15 Subpart B
Environmental approvals RoHS and WEEE compliant
Software included PicoScope 6 for Windows. Windows SDK.
Example programs (C, Visual Basic, Excel VBA, LabVIEW).
Optional software PicoScope 6 Beta for Linux and OS X. Drivers for Linux and OS X.
PC requirements Microsoft Windows XP (SP3), Windows Vista, Windows 7 or Windows 8 (not Windows RT)
Output file formats bmp, csv, gif, jpg, mat, pdf, png, psdata, pssettings, txt
Output functions copy to clipboard, print
Languages Chinese (simplified), Chinese (traditional), Czech, Danish, Dutch, English, Finnish, French,
German, Greek, Hungarian, Italian, Japanese, Korean, Norwegian, Polish, Portuguese,
Romanian, Russian, Spanish, Swedish, Turkish
  • Note: quoted specifications apply when using PicoScope 6 software.
  • Need to know a specification not listed here? — just ask

PicoScope 3000 series oscilloscope software

Advanced display

The PicoScope software dedicates almost all of the display area to the waveform. This ensures that the maximum amount of data is seen at once. The viewing area is much bigger and of a higher resolution than with a traditional benchtop scope. With a large display area available, you can also create a customizable split-screen display, and view multiple channels or different variants of the same signal at the same time. As the example below shows, the software can even show both oscilloscope and spectrum analyzer traces at once. Additionally, each waveform shown works with individual zoom, pan, and filter settings for ultimate flexibility.

The PicoScope software can be controlled by mouse, touchscreen or by keyboard shortcuts.

 
Oscilloscope decoding / Protocol analysis

Serial decoding / Protocol analysis

The PicoScope 3000 series include serial decoding capabilities as standard. The decoded data can be displayed in the format of your choice: In view, In Table, or both at once.

  • In view format shows the decoded data (in hex, binary, decimal or ASCII) beneath the waveform on a common time axis, with error frames marked in red. These frames can be zoomed to investigate noise or distortion.
  • In window format shows a list of the decoded frames, including the data and all flags and identifiers. You can set up filtering conditions to display only the frames you are interested in, search for frames with specified properties, or define a start pattern to signal when the program should list the data.  The statistics option reveals more detail about the physical layer such as frame times and voltage levels.  PicoScope can also import a spreadsheet to decode the hexadecimal data into user-defined text strings.

PicoScope can decode I²C, RS-232/UART, SPI, I²S, FlexRay, LIN and CAN bus data.  Expect this list to grow over time with future free software upgrades.  The number of different protocols that can be decoded at one time is limited only by the number of channels on your oscilloscope.

 

 

 

 

 

 

 

 

Oscilloscope mask

Mask limit testing

Mask limit testing allows you to compare live signals against known good signals, and is designed for production and debugging environments. Simply capture a known good signal, draw a mask around it, and then attach the system under test. PicoScope will capture any intermittent glitches and can show a failure count and other statistics in the Measurements window.

Mask limit testing is available for both the oscilloscope and spectrum analyzer allowing you automate finding problems in both the time and frequency domain.

The numerical and graphical mask editors can be used separately or in combination, allowing you to enter accurate mask specifications, modify existing masks, and import and export masks as files.

More information on mask limit testing >>

 

 

 

 

 

 

 

 

 

 

 

 

 

 

 

 

 

 

Oscilloscope measurements

 

 

 

 

 

 

 

 

 

 

 

Automatic measurements

PicoScope allows you to display a table of calculated measurements for troubleshooting and analysis.

Using the built-in measurement statistics you can see the average, standard deviation, maximum and minimum of each measurement as well as the live value. You can add as many measurements as you need on each view. For information on the measurements available in scope and spectrum modes.

More information on automatic measurements >>

 
Maths channels

Math channels

On many oscilloscopes waveform maths just means simple calculations such as A B, with a PicoScope it means much, but much more.

With PicoScope 6 you can select simple functions such as addition and inversion, or open the equation editor to create complex functions involving filters (low pass, high pass, band pass and band stop filters), trigonometry, exponentials, logarithms, statistics, integrals and derivatives. 

 

 

 

 

 

Analog and digital low-pass filtering

Waveform math also allows you to plot live signals alongside historic peak or averaged waveforms.  You can also use math for example to graph the changing duty cycle or frequency of your signal.

More information on math channels >>

 

High-speed data acquisition and digitizer

The software development kit (SDK) allows you to write your own software and includes drivers for Microsoft Windows, Apple Mac (OS X) and Linux (including Raspberry Pi).

Example code shows how to interface to third-party software packages such as Microsoft Excel, National Instruments LabVIEW and MathWorks MATLAB. 

The drivers support USB data streaming, a mode which captures gap-free continuous data over USB direct to the PC’s RAM or hard disk at rates of up to 125 MS/s and capture sizes limited only by available PC storage. Sampling rates in streaming mode are subject to PC specifications and application loading.

 

Powerful tools provide endless options

Your PicoScope is provided with many powerful tools to help you acquire and analyse waveforms.  While these tools can be used on their own, the real power of PicoScope lies in the way they have been designed to work together.

As an example the rapid trigger mode allows you to collect 10,000 waveforms in a few milliseconds with minimal dead time between them.  Manually searching through these waveforms would be time consuming so just pick a waveform you are happy with and let the mask tools scan through for you.  When done the measurements will tell you how many have failed and the buffer navigator allows you to hide the good waveforms and just display the problem ones. This video shows you how.

Perhaps instead you want to plot changing duty cycle as a graph?  How about outputting a waveform from the AWG and also automatically saving the waveform to disk when a trigger condition is met?  With the power of PicoScope the possibilities are almost endless.



 

PicoScope 3000 4-Channel USB Oscilloscope Accessories

Standard passive probes

Our ergonomically designed passive oscilloscope probes are suitable for use with all major brands of oscilloscopes as well as the PicoScope range of USB Oscilloscopes. Passive probes don't require a power supply or batteries so are lightweight and easily portable.

Read our free guide: How to Tune x10 Oscilloscope Probes.


 

Product

Description

Price

Passive oscilloscope probe: 100 MHz bandwidth 1:1/10:1 switchable, BNC
TA375

Passive oscilloscope probe: 200 MHz bandwidth 1:1/10:1 switchable, BNC
TA386 

 

PicoScope 3200D Brochure 
PicoScope 3200A & B Brochure [This unit has been replaced by the D Series]

3200 Scope Kit Contents

Order your Pico 3000 Series MSO here
 

3203D MSO (PP956)

bandwidth (MHz): 50
Channels: 2
Memory: 64MS

3204D MSO (PP931)
bandwidth (MHz): 70
Channels: 2
Memory: 128MS

3205D MSO (PP932)
bandwidth (MHz): 100
Channels: 2
Memory:256MS

3206D MSO (PP933)
bandwidth (MHz): 200
Channels: 2
Memory: 512MS

3403D MSO (PP957)
bandwidth (MHz): 50
Channels: 4
Memory: 64MS

3404D MSO (PP934)
bandwidth (MHz): 70
Channels: 4
Memory:128MA

3405D MSO (PP935)
bandwidth (MHz): 100
Channels: 4
Memory: 256MS

3406D MSO (PP936)
bandwidth (MHz): 200
Channels: 4
Memory: 512MS

 

Order your Non MSO 3000 Series Scope here

3203D [PP958]
bandwidth (MHz): 50
Channels: 2
Memory: 64MS


3204D [PP959]
bandwidth (MHz): 70
Channels: 2
Memory: 128MS

3205D [PP960]
bandwidth (MHz): 100
Channels: 2
Memory:256MS


3206D [PP961]
bandwidth (MHz): 200
Channels: 2
Memory: 512MS

3403D [PP962]
bandwidth (MHz): 50
Channels: 4
Memory: 64MS


3404D [PP963]
bandwidth (MHz): 70
Channels: 4
Memory:128MA

3405D [PP964]
bandwidth (MHz): 100
Channels: 4
Memory: 256MS


3406D [PP965]
bandwidth (MHz): 200
Channels: 4
Memory: 512MS

Order a Carrying case for your 3000D Series here...

 
 
 
USA Office

Tel:1.877.902.2979-1.425.223.4311
Fax:1.877.329.4324
Address: 1480 Gulf Road, Suite 837,
PO Box 1364
Point Roberts, WA 98281

Western Canada - Vancouver BC

Tel:1.800.663.6001 or 1.604.925.6150
Fax:1.604.925.6170
Address: 2454 Haywood Ave
West Vancouver, BC V7V 1Y1

Eastern Canada - Markham, Ontario

Tel:1.800.465.0164 or 1.905.513.7027
Fax:1.877.329.4324